聯系方式
聯系人:岳先生
手 機:13914137050
電 話:0510-83050186
地 址:無錫市惠山區陽山鎮
協達路19號
儀用氣自動排水系統
氣動控制裝置在電廠中大量使用,壓縮空氣是否干燥會影響氣動控制系統的安全穩定運行。因壓縮空氣帶水而導致機組故障甚至停機時有發生。壓縮空氣雖經干燥處理,但仍帶有一定的水分,而這部分水分在不同季節時隨時間而積累呈復雜不確定關系。這些水分積累的結果是;一方面影響用氣設備的安全正常工作,并加速其損壞;另一方面嚴重腐蝕儲氣罐、壓縮機等設備,造成惡性循環。
壓縮空氣帶水是個電廠普遍存在的問題,目前一般采用手動疏水閥人工排放或利用機械式疏水閥進行疏水,這兩種疏水方式存在以下缺點:
(1)由于供/用汽點多面廣,對疏水閥進行人工巡檢及手動排水耗時費力,且現場難以判斷是否疏水干凈;
(2)機械式疏水閥偏差大、可靠性差;
(3)機械式疏水閥結構復雜易出現故障并難以修理;
(4)不具備在線監視功能,無法在集控室內實現在線監視,無法與計算機通訊。
主要性能特點:
GSA-lII型儀用氣自動排水系統,經數年在電廠使用與發展,已進入第三代可編程智能型產品。該控制產品體積小巧、穩定可靠、可實現在線安裝。該系統能有效解決儀用壓縮空氣系統中發生的氣動執行機構或控制單元被水汽污染的難題,主要特點如下:
(1)GSA-III型產品部分采用SIEMENS S7系列PLC,通過上位機和監控程序完成控制組態工作。
(2)GSA-III型產品可根據運行工況、環境的變化,人工或自動修改控制參數,以達到高的排水效率。如根據季節變化,自動修改排水時間控制參數。具有良好的人機工作界面、電磁閥動作累計并永不丟失數據。具有現場中斷測試功能、軟中斷測試功能,軟件設計預留局部網絡功能。
(3)GSA-III型產品特別加強了安全可靠性設計,能夠在惡劣工況環境下可靠運行。防護等級IP65。軟件設計具有在線自診斷(包括失電報警);控制箱內設置輸出試驗按鈕,方便現場快速檢查GSAIII控制站及電磁閥是否正常工作。軟件控制采用模糊控制(Fuzzy Control)策略:一方面控制出水率;另一方面控制各點排水時間順序,確保排水對氣源系統壓力的擾動小,從而保障氣動執行機構和/或控制單元的安全穩定可靠。
(4)GSA-III型產品根據用途的不同、主要是控制排水點數量的大小,其產品分為單回路、雙回路、四回路型。
(5)GSA-III型產品允許通過RS-485總線進行網絡連接,可連接多達31臺GSA-III控制器,每臺GSA-III均構成網絡上的一個控制站,方便了用戶設備管理。
(6)上位監控程序能夠在WINDOWS95/98/NT/XP/2000平臺下運行。網絡物理特性:RS-488;網絡協議為專用網絡PPI通信協議(該協議可以與任何通訊協議公開的其他設備、控制器通訊)。
主要技術指標:
壓縮空氣帶水是個電廠普遍存在的問題,目前一般采用手動疏水閥人工排放或利用機械式疏水閥進行疏水,這兩種疏水方式存在以下缺點:
(1)由于供/用汽點多面廣,對疏水閥進行人工巡檢及手動排水耗時費力,且現場難以判斷是否疏水干凈;
(2)機械式疏水閥偏差大、可靠性差;
(3)機械式疏水閥結構復雜易出現故障并難以修理;
(4)不具備在線監視功能,無法在集控室內實現在線監視,無法與計算機通訊。
主要性能特點:
GSA-lII型儀用氣自動排水系統,經數年在電廠使用與發展,已進入第三代可編程智能型產品。該控制產品體積小巧、穩定可靠、可實現在線安裝。該系統能有效解決儀用壓縮空氣系統中發生的氣動執行機構或控制單元被水汽污染的難題,主要特點如下:
(1)GSA-III型產品部分采用SIEMENS S7系列PLC,通過上位機和監控程序完成控制組態工作。
(2)GSA-III型產品可根據運行工況、環境的變化,人工或自動修改控制參數,以達到高的排水效率。如根據季節變化,自動修改排水時間控制參數。具有良好的人機工作界面、電磁閥動作累計并永不丟失數據。具有現場中斷測試功能、軟中斷測試功能,軟件設計預留局部網絡功能。
(3)GSA-III型產品特別加強了安全可靠性設計,能夠在惡劣工況環境下可靠運行。防護等級IP65。軟件設計具有在線自診斷(包括失電報警);控制箱內設置輸出試驗按鈕,方便現場快速檢查GSAIII控制站及電磁閥是否正常工作。軟件控制采用模糊控制(Fuzzy Control)策略:一方面控制出水率;另一方面控制各點排水時間順序,確保排水對氣源系統壓力的擾動小,從而保障氣動執行機構和/或控制單元的安全穩定可靠。
(4)GSA-III型產品根據用途的不同、主要是控制排水點數量的大小,其產品分為單回路、雙回路、四回路型。
(5)GSA-III型產品允許通過RS-485總線進行網絡連接,可連接多達31臺GSA-III控制器,每臺GSA-III均構成網絡上的一個控制站,方便了用戶設備管理。
(6)上位監控程序能夠在WINDOWS95/98/NT/XP/2000平臺下運行。網絡物理特性:RS-488;網絡協議為專用網絡PPI通信協議(該協議可以與任何通訊協議公開的其他設備、控制器通訊)。
主要技術指標:
1、控制單元 電源:220 vac+15% 48.5~50Hz I/O模塊:所有開關量I/O模件有隔離裝置,對現場接線和對其他I/O模件之間提供1500v以上的有效隔離值。 通訊協議:RS485 停電記憶:保存的程序和數據永久保持≥ 使用溫度:-20-50℃ 濕度:5-95%RH 防護等級:IP65 |
2、凈化單元 工作介質:壓縮空氣 使用溫度:-25-+80℃ 高進氣壓力:1.0MPa 水分離效率:≥85% 過濾精度:5μm |

電廠氣源凈化點(125MW-350MW)典型選擇一覽表:

600MW機組熱控選點表:

注: |
1、壓縮空氣凈化裝置進出口接管一律用由Φ32*2.5。 2、各用氣點接管一律用由Φ14*1。 3、所有設備裝置選用GSA-111-2-DN25。 4、凈化模式一般采用A模式,也可以按設計圖采用其他模式。 |
GSA-I l l型A凈化模式單元圖:

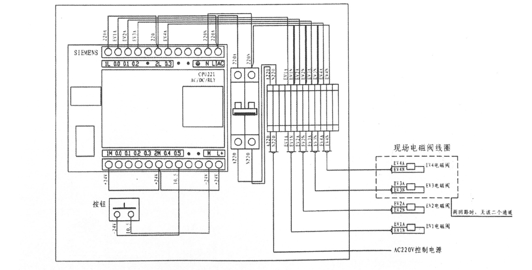
GSA-I l l電氣安裝單元接線圖:

A模式成套設備清單 | A模式下安裝材料清單 |
成套設備選型舉例:GSA-I I l-2-DN20 1. GSA-I I l型智能動態凈化控制儀:1臺 2. 氣水分離器QSL:2個(DN20) 3. 不銹鋼球閥J:2個(PNl.6MPa DN15) 4. 攔污過濾器ZPSA:2個(ZPSA60目雙層,速折型) 5. 電磁閥:2個(SMC VX21 220VAC D 電開式) 6. 適配接頭一批 |
1. 外螺紋截止閥4個(J23W-64P DN20) 2. 紫銅管6米(÷8+1) 3. 電纜120米(KFPIF-260/4X1.5) 4. 無縫不銹鋼管10米(+25*2.5 1Cr18Ni9Ti) |
說明:以上清單以DN20為例,當DN20取不同值時,應將“安裝材料清單”下的1、4中的規格進衍相應調整。
概述:
氣動控制裝置在電廠中大量使用,壓縮空氣是否干燥會影響氣動控制系統的安全穩定運行。因壓縮空氣帶水而導致機組故障甚至停機時有發生。壓縮空氣雖經干燥處理,但仍帶有一定的水分,而這部分水分在不同季節時隨時間而積累呈復雜不確定關系。這些水分積累的結果是:一方面影響用氣設備的安全正常工作,并加速其損壞;另一方面嚴重腐蝕儲氣罐、壓縮機等設備,造成惡性循環。
壓縮空氣帶水是個電廠普遍存在的問題,目前一般采用手動疏水閥人工排放或利用機械式疏水閥進行疏水,這兩種疏水方式存在以下缺點:
(1)由于供/用汽點多面廣,對疏水閥進行人工巡檢及手動排水耗時費力,且現場難以判斷是否疏水干凈;
(2)機械式疏水閥偏差大、可靠性差;
(3)機械式疏水閥結構復雜易出現故障并難以修理;
概述:
氣動控制裝置在電廠中大量使用,壓縮空氣是否干燥會影響氣動控制系統的安全穩定運行。因壓縮空氣帶水而導致機組故障甚至停機時有發生。壓縮空氣雖經干燥處理,但仍帶有一定的水分,而這部分水分在不同季節時隨時間而積累呈復雜不確定關系。這些水分積累的結果是:一方面影響用氣設備的安全正常工作,并加速其損壞;另一方面嚴重腐蝕儲氣罐、壓縮機等設備,造成惡性循環。
壓縮空氣帶水是個電廠普遍存在的問題,目前一般采用手動疏水閥人工排放或利用機械式疏水閥進行疏水,這兩種疏水方式存在以下缺點:
(1)由于供/用汽點多面廣,對疏水閥進行人工巡檢及手動排水耗時費力,且現場難以判斷是否疏水干凈;
(2)機械式疏水閥偏差大、可靠性差;
(3)機械式疏水閥結構復雜易出現故障并難以修理;

主要性能特點:
(1)GSA-Ⅲ型產品根據用途的不同、主要是控制排水點數量的大小,其產品分為單回路、雙回路、四回路型。
主要技術指標:
工作介質:壓縮空氣
使用溫度:-25~+80℃
高進氣壓力:1.0MPa
水分離效率:≥85%
過濾精度:5μm
造型指導:

上一篇:PPB系列靜電除塵器
下一篇:沒有了
相關產品